Наукова діяльність

Наукову діяльність кафедра проводить за напрямами:

·         Дослідження засобів захисту інформації від несанкціонованого доступу на основі біометричних ознак і розробка систем захисту за ознаками;

·         Розробка авторизованих комплексів виявлення несанкціонованого електромагнітного випромінювання на базі адаптивних антенних решіток;

·         Розробка методів і пристроїв дистанційного вимірювання коливань і переміщень поверхонь оптичними методами;

·         Дослідження і розробка методів і пристроїв придушення акустичних сигналів в замкнутих приміщеннях із застосуванням адаптивної обробки;

·         Підвищення завадостійкості супутникових навігаційних систем із застосуванням адаптивних антенних систем;

·         Математичне моделювання комплексних систем захисту інформації.

Результатами наукової діяльності кафедри є:

Програмно-апаратний комплекс захисту комп’ютеризованої системи від несанкціонованого доступу за біометричними ознаками людини.

Розробка представляє собою програмно-апаратний комплекс обробки зображень та мовного сигналу, який спрямований на підвищення ефективності захисту комп’ютеризованих систем обробки інформації та керування екологічно небезпечними технологічними процесами від несанкціонованого доступу (НСД) за біометричними ознаками людини із застосуванням стандартних пристроїв аудіо- та відеореєстрації
(WEB-, USB- та CCTV-камери) з використанням некомерційних бібліотек.

Програмно-апаратний комплекс реалізує виділення біометричної матриці інформативних точок обличчя та відстаней між ними із потоку попередньо нормалізованих стереометричних цифрових фотопортретів (кадрів), захоплених двома узгодженими стандартними засобами відеореєстрації (WEB-, USB- та CCTV-камери). Програмне забезпечення розроблене з використанням некомерційних кросплатформених бібліотек (Windows, UNIX, Linux).

Програмно-апаратний комплекс є результатом виконання на кафедрі засобів захисту інформації науково-дослідних робіт: НДР №140ДБ-04 (0104U003783) Створення методики та апаратно-програмної бази для моніторингу в польових умовах засобів захисту мовної інформації. НДР №59/14.02.02 Методи та засоби технічного захисту інформації в сучасних умовах.

Автори розробки: к.т.н., доцент Швець В.А., Клитовченко С.Р., Клитовченко О. І.

 

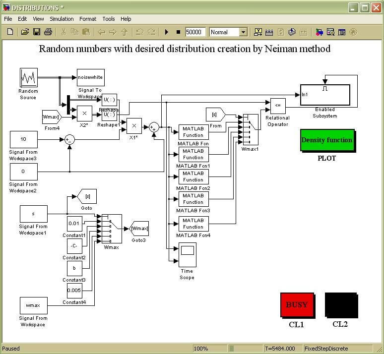
Моделювання випадкових величин із заданим законом розподілу

Розробка представляє реалізацію методу Неймана для моделювання випадкових величин із заданими параметрами розподілу.

Програмний пакет дозволяє моделювати як класичні щільності розподілу (релеєвську, нормальну і т.д.), так і функції щільності розподілу довільної форми.

Щільність розподілу можна задати графічно і аналітично.

Програма може використовуватися при проектуванні радіоелектронних комплексів, систем технічного захисту інформації, математичному моделюванні випадкових процесів.

Автори розробки: к.т.н., доцент Швець В.А., Касперович Н.О., Островський Я.В.